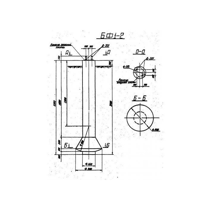
Фундамент серии 3.407.9-146 Серия 3.407-123 БФО 3 представляет собой железобетонное изделие, предназначенное для использования в строительстве. Он имеет прочную конструкцию и высокую надежность, что обеспечивает долгий срок службы и стабильность строения. Фундамент обладает отличными техническими характеристиками и легко монтируется на строительной площадке.
Фундамент серии 3.407.9-146 Серия 3.407-123 БФО 3 идеально подходит для использования в строительстве жилых, коммерческих и промышленных зданий. Он может быть использован для укрепления фундаментов зданий, сооружения подпорных стен, а также для создания устойчивых оснований под различные конструкции. Этот фундамент является надежным и долговечным решением для строительства любых объектов.









